ZMC系列標準源:關于多用表校準的那些事
2025-06-18
數字多用表的概述
數字多用表是現代電子測量的核心儀器,能通過數字顯示屏顯示精確的電壓、電流和電阻等測量值,相比傳統指針式儀表具有更高的測量精度和穩定性。按顯示位數分類,從三位半到八位半,每增加一位有效數字,理論分辨率提升10倍。
直流電壓測量:通過數字電壓表直接測量;
直流電流測量:通過電流—電壓變換,將電流量轉換成電壓量測量實現;
交流電壓測量:通過交直流轉換器,將交流電壓轉換為直流電壓的方式實現;
交流電流測量:通過交直流轉換器,將交流電流轉換成直流電壓的方式實現;
直流電阻測量:通過電阻—電壓轉換器,將電阻量轉換成電壓量測量的方式實現。
校準如此重要的三大原因
從確保測量準確性、滿足法規要求到保證設備長期可靠運行,校準貫穿著精密測量的每個環節。
數字多用表校準技術流程
一、外觀及通電檢測
1. 被校數字表外形結構完好,外露件等不應損壞或脫落,機殼、端鈕等不應有影響正常工作的機械碰傷,按鍵無卡死或接觸不良的現象;
2. 被校數字表產品名稱、制造廠家、儀器型號和編號等均應有明確標記;
3. 供電電壓和頻率標志應正確無誤;
4. 通電檢查被校數字表各測量功能、量程切換應正常,小數點位置應正確,顯示字符段應完整;
5. 按照被校數字表使用說明書的要求和規定進行預熱和預調(包括直流功能調零)。
二、校準點的選取
校準點應覆蓋所有量程并兼顧各量程之間的覆蓋性及量程內的均勻性,同時應參考被校數字表使用說明書中對校準點的建議,并可根據實際情況或送校單位的要求選取校準點。
例如,校準直流電壓時選擇校準點的建議:
● 基本量程正極性選取3~5個校準點;
● 非基本量程正極性選取2~3個校準點;
● 各量程負極性可只選取量程值(接近量程值)1個校準點;
● 正極性時,應覆蓋量程值的10%點和量程值(接近量程值)點;
● 對于四位半及以下的數字表,可只選取各量程的量程值(接近量程值)點,應包含正負極性。
三、求示值誤差
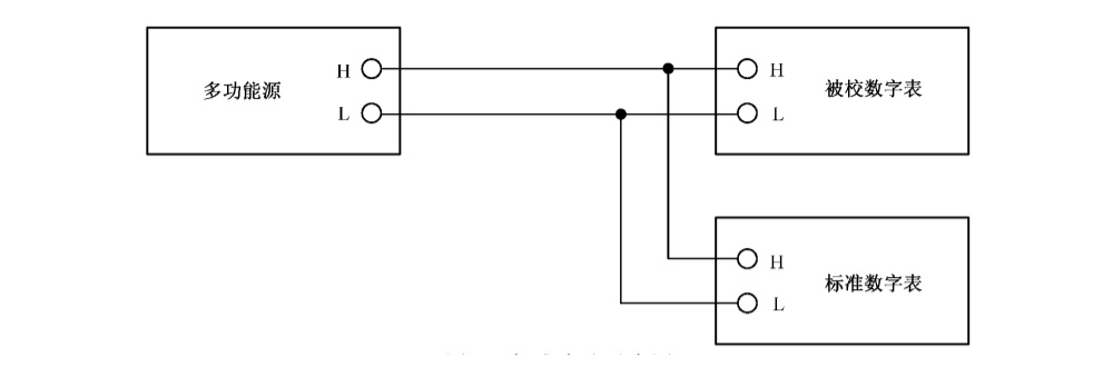
一般地,多用表校準常常用到兩種方法,一種是標準源法,另一種是標準表法:
● 標準源法
根據校準點設定多功能源的輸出值,記錄被校數字表的示值。設多功能源的輸出標準值為ZN,被校數字表的示值為ZX,被校數字表的示值誤差按下面公式計算:
?=ZX-ZN
式中:
Δ——示值誤差;
ZX——被校數字表的示值;
ZN——多功能源的輸出標準值。
被校數字表的相對示值誤差按下面公式計算:
γ=Δ/ZN ×100%
式中:γ——相對示值誤差。
● 標準表法
調節多功能源的輸出值使標準數字表的示值(或校準值)為校準點,記錄被校數字表的示值。設標準數字表的示值(或校準值)為ZN,被校數字表的示值為ZX,被校數字表的示值誤差和被校數字表的相對示值誤差都按上述公式進行計算。
ZMC系列標準源:校準多用表的利器
我們經常用標準源法對數字多用表進行校準,原因是整套校準裝置系統設備較少,檢測連接線少,操作方便,工作效率較高。另外標準源可以輸出標準的交直流電壓電流信號,模擬電阻電容輸出等功能。由于各個標準源的準確度大有不同,功能也有所不同,因此標準源的選擇也非常重要。
另外根據多用表校準規范的規定,校準裝置對應功能的最大允許誤差絕對值(或不確定度)應不大于被校數字表相應功能最大允許誤差絕對值的1/3。標準源的穩定性不應影響標準數字表和被測數字表讀數的可靠性,并應考慮標準源的負載特性及溫度系數對校準結果的影響。
ZMC6520標準源是目前比較適合用于六位半及以下數字多用表校準的校準器,其原因主要有以下幾點:
一、精度更高
標準源的精度通常比六位半數字萬用表更高,其輸出的電壓、電流、電阻等參數具有更小的不確定度和誤差范圍。例如,校準高精度的六位半數字萬用表時,標準源的不確定度可達到0.001%甚至更低,而六位半數字萬用表本身的準確度一般在0.003%到0.01%左右(DCV)。這樣,標準源就能為萬用表的校準提供準確的參考基準,通過與標準源的輸出值進行比較,可以發現萬用表測量結果中的偏差和誤差。
二、測量功能匹配
標準源具備與六位半數字多用表相似的測量功能對各參數輸出,如直流電壓、交流電壓、直流電流、交流電流、電阻、電容、頻率等。這使得在進行校準時,可以針對多用表的每一項測量功能進行逐一校準,確保多用表在各個功能上的測量準確性。
三、輸出范圍更廣
標準源通常可以輸出多種不同量程和類型的標準信號,能夠覆蓋六位半數字萬用表的各個測量功能和量程范圍。無論是直流電壓、交流電壓、直流電流、交流電流還是電阻等參數,標準源都可以提供相應的標準值,滿足對萬用表全面校準的需求。
總結
標準源法是數字多用表校準最常見的方法,接線簡單,只需一臺標準源儀器就可單獨完成校準工作。ZMC系列標準源的指標先進,功能強大,確保每次校準結果都值得信賴,高效賦能測量儀器的校準工作。
ZMC標準源:專業校準設備的技術選擇
ZMC系列標準源通過先進的電路設計和精密的制造工藝,確保輸出信號的高精度和長期穩定性。產品符合相關技術標準要求,為數字多用表校準提供可靠的技術保障。
